Water Circulation Multistage Water Pump
Product Details
Water Circulation Multistage Water Pump

*Type: D155-30x6
- Liquid medium:Water
- Capacity:155m3/h
- Head:180m
- Power:75kw
- Speed:1480rpm
- Stage:6
- NPSH:3.9m
- Efficiency:75%
- Brand: DePump
- Local: China
- Material: Cast Iron
- Shaft: 45# steel
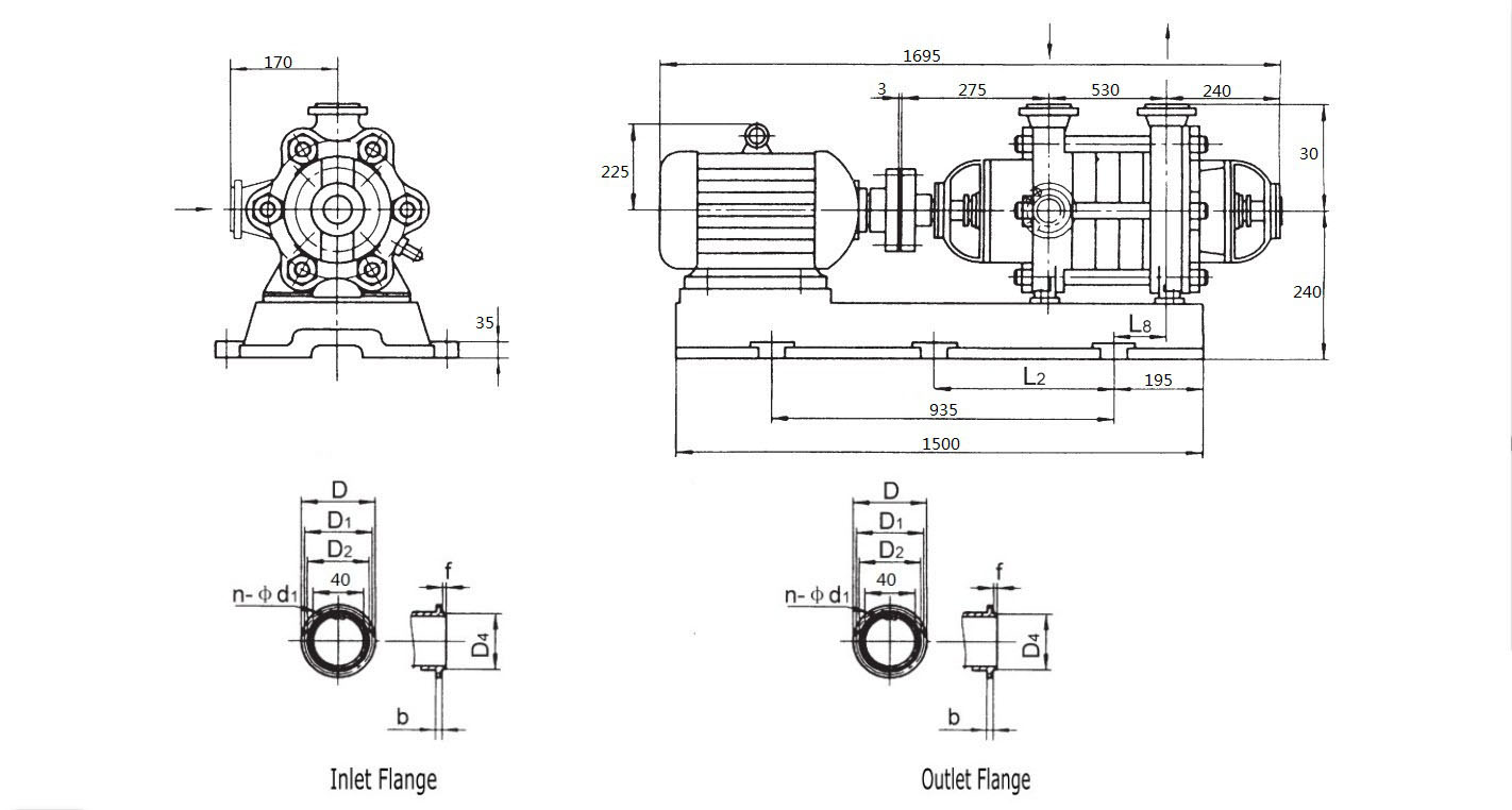
Pumps Drawing:

D PUMP STRUCTURE:

Sectional Arrangement
| 1 | Suction Casing |
| 2 | Diffuser |
| 3 | Stage Casing |
| 4 | Delivery Casing |
| 5 | Impeller of First-stage |
| 6 | Impeller |
| 7 | Balance Disc |
| 8 | Balance Ring |
| 9 | Stuffing Box Housing |
| 10 | Packing |
| 11 | Balance Sleeve |
| 12 | Packing Gland |
| 13 | O-ring |
| 14 | Bearing |
| 15 | Wearing Ring of First-stage |
| 16 | Wearing Ring |
| 17 | Diffuser Bush |
| 18 | Shaft |
| 19 | Shaft Sleeve |
| 20 | Balance Water Piping |
| 21 | Water Seal Piping |
APPLICATION:
* Long distance water transferring
* Boiling water feeding and transferring
* Water system boosting
* Agricultural irrigation
* Mining water supply
* Fire fighting
* Offshore projects
PUMPS DATA SHEET:
| Model | Capacity (m3/h) | Head(m) | Speed (rpm) | Motor Power (kw) | Impeller Dia (mm) |
| D/DG6-25*3 | 6.3 | 75 | 2950 | 5.5 | 138 |
| D/DG6-25*5 | 6.3 | 125 | 2950 | 7.5 | 138 |
| D/DG6-50*4 | 6.3 | 200 | 2950 | 18.5 | 198 |
| D/DG6-50*6 | 6.3 | 300 | 2950 | 30 | 198 |
| D/DG6-80*3 | 6.3 | 240 | 2950 | 18.5 | 235 |
| D/DG12-25*4 | 12.5 | 100 | 2950 | 11 | 146 |
| D/DG12-50*6 | 12.5 | 300 | 2950 | 30 | 273 |
| D/DG12-80*4 | 12.5 | 320 | 2950 | 45 | 235 |
| D/DG25-30*3 | 25 | 90 | 2950 | 15 | 160 |
| D/DG25-50*5 | 25 | 250 | 2950 | 37 | 196 |
| D/DG46-30*5 | 46 | 150 | 2950 | 37 | 162 |
| D/DG46-50-7 | 46 | 350 | 2950 | 90 | 210 |
| D/DG85-67*4 | 85 | 268 | 2950 | 110 | 235 |
| D/DG85-67*8 | 85 | 536 | 2950 | 220 | 235 |
| D/DG120-50*5 | 120 | 250 | 2950 | 132 | 213 |
| D/DG150-30*8 | 150 | 240 | 2950 | 160 | 172 |
| D/DG150-100*6 | 150 | 600 | 2950 | 400 | 289 |
| D/DG200-100*6 | 200 | 600 | 2950 | 560 | 290 |
| D/DG280-65*6 | 280 | 390 | 1480 | 500 | 430 |
| D/DG360-40*8 | 360 | 320 | 1480 | 500 | 360 |
| D/DG450-60*8 | 450 | 480 | 1480 | 900 | 430 |
| D/DG550-50*9 | 550 | 450 | 1480 | 1000 | 430 |
| D/DG580-70*9 | 580 | 630 | 1480 | 1600 | 473 |
| D/DG600-60*10 | 600 | 600 | 1480 | 1400 | 455 |
| D/DG720-60*9 | 720 | 540 | 1480 | 1600 | 450 |
| D/DG740-80*6 | 740 | 480 | 1480 | 1600 | 493 |
For reference only, more details please contact us!
D Pump Performance Chart:

Pump will be tested before delivery:


Package:

Contact Us:
Shirley She
Skype: shirleysheli
Cell: +86 13932278621
Email: admin@deponpump.com
Hot Tags: water circulation multistage water pump, made in China, China, manufacturers, factory, quotation, price list
Inquiry
You Might Also Like
-
![150S-MSP China Sand Slurry Pumps]()
150S-MSP China Sand Slurry Pumps
-
![Boiler Feed High Pressure Multistage Water Pumps]()
Boiler Feed High Pressure Multistage Water Pumps
-
![High Chrome A05 Mah Slurry Pump Of 10 Bar High Pressure]()
High Chrome A05 Mah Slurry Pump Of 10 Bar High Pressure
-
![Vertical Multistage Submersible Long Distance Water Pumps For Deep Well]()
Vertical Multistage Submersible Long Distance Water ...
-
![MAh Series Single Stage Horizontal Centrifugal Slurry Pump]()
MAh Series Single Stage Horizontal Centrifugal Slurr...
-
![ZD Self-balancing High Pressure Multistage Pump for Building Water Supply]()
ZD Self-balancing High Pressure Multistage Pump for ...











